207 多层式(灯泡)常亮/闪光型

产品说明 »
. 新型设计的多层声光信号灯,适用于多种机器设备。. 灯罩由耐热抗震的聚碳酸酯树脂制成。. 可选颜色包括红色、黄色、绿色、蓝色和透明色。. 防护等级为IP54。. 新研制的三层反射系统与LED模块相结合,保证了较高的能见度和较低的耗电量。
订购规格 »
型号 段数 可选功能 警灯功率 可选电压 喇叭分贝 可选颜色 包装尺寸 装箱数 毛重
LTA207 1段 T 常亮  5W DC12V

DC24V

AC110V

AC220V
- - -
W 闪光
TJ 常亮带响 85dB
WJ 闪光带响
LTA207 2段 T 常亮  10W DC12V

DC24V

AC110V

AC220V
- - -
W 闪光
TJ 常亮带响 85dB
WJ 闪光带响
LTA207 3段 T 常亮  15W DC12V

DC24V

AC110V

AC220V
- - -
W 闪光
TJ 常亮带响 85dB
WJ 闪光带响
LTA207 4段 T 常亮  20W DC12V

DC24V

AC110V

AC220V
- - -
W 闪光
TJ 常亮带响 85dB
WJ 闪光带响
LTA207 5段 T 常亮  25W DC12V

DC24V

AC110V

AC220V
- - -
W 闪光
TJ 常亮带响 85dB
WJ 闪光带响

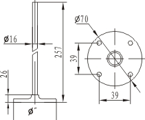
外形图 »
外形图  接线图
 

  


多层式灯安装基架及尺寸
 

   
FZ-L-1 FZ-L-2 FZ-L-3 FZ-L-4    
 
 


产品特性 »
   
  白炽灯泡 采用德国进口高品质脉冲氙灯管,使用寿命高达5000万次以上。整机无机械磨损、无噪音。发光效率高,抗背景光,穿雾能力强
     
   
  喇叭 采用高品质工业蜂鸣器,声光报警同时进行, 警示效果理想,报警音可选。
   

多层式灯型号表示
 
 
发声形式:I:间断; C:连续; 无标志:不发声;
发光形式:T:常亮; W:闪光;
层数:红 黄 蓝 绿 白(从下往上排 序颜色)
灯顺序号:
光源形式:5:LED; 2:白炽灯泡; 1:转亮;


Copyright © 2002-2019 . 温州星霸警示设备有限公司 版权所有